Каталог
Каталог
Покупателям
Поставщикам
Сенат ЗНС 2-5  б/о [Ит] 051 Замок накладной тяж (6)
Сенат ЗНС 2-5  б/о [Ит] 051 Замок накладной тяж (6)
Сенат ЗНС 2-5 б/о [Ит] 051 Замок накладной тяж (6)
Артикул
471030
На складе
Нет
В кор.
2
Мин. партия
1
Доставка
До скл.Уфа от 8 до 12 дн.
Описание
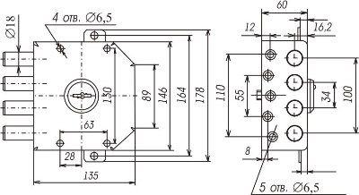
Замок накладной сувальдный. Предназначен для установки на металлические двери. Засов из четырех цилиндрических ригелей диаметром 18 мм, с максимальным вылетом 40 мм. Удаление ключевого отверстия - 64 мм. Количество полуоборотов ключа - 4. Габариты замка - 135х146х32,5 мм. Защита от вскрытия замка отмычкой, защита от высверливания стойки ригеля и защита от вскрытия методом проворота.
Имеет накладку с внутренней стороны на замочной скважине и пластмассовую направляющую под ключ.

Технические характеристики:

Материал: Сталь
Гарантия: 2 года
Класс секретности: 4 класс
Тип механизма секретности: Сувальдный
Количество ключей: 5
Тип двери: Металлические
Удаление ключевого отверстия (Backset): 64 мм
Наличие ответной планки: Нет
Количество ригелей: 4
Форма ригелей: Круглый
Размер ригеля: 18 мм
Основное свойство: Сенат
Транспортная упаковка: 1
Минимальная фасовка: 1
Вес (брутто): 1.944
Размер изделия: 135х146х32,5 мм
Вылет ригеля: 40 мм
Наличие защелки : нет
Комплектация ручкой: нет
Автоматическое запирание: нет
Размер торцевой планки : 60х146 мм
Расстояние между стяжками: 110 мм
Индивидуальная упаковка : Пакет
Класс секретности: 4 класс
Замок накладной ЗН 1-1КЗ АЛЛЮР, под Казань, 1/20
Артикул 491193
В кор. 4
Мин. партия 1
Замок накладной ЗН1-3 ЗЕНИТ, бронза, 1/16
Артикул 491869
В кор. 16
Мин. партия 1
Замок накладной ЗНД1А Рязань, 1/20
Артикул 492658
В кор. 4
Мин. партия 1
Замок накладной ОМЕГА ЗН-1 ЗЕНИТ, медь, 1/30
Артикул 492914
В кор. 30
Мин. партия 1
Замок накладной ЗН1-2. 1 ЗЕНИТ, бронза, 1/16
Артикул 493279
В кор. 24
Мин. партия 1
Мешки п/п 50кг 105х55 белые с синей/зеленой полосой, 500/500
Артикул 42311
0 В наличии 30044
Мин. партия 500
Черенок для лопаты 40 мм 1,2 м, в/с, просушенный ГОСТ, 10/10
Артикул 119464
0 В наличии 360
Мин. партия 10
Ведро оцинкованное 12л Магнитогорск, 10/10
Артикул 12392
0 В наличии 8821
Мин. партия 10
Мешки п/п 50кг 55х95см зеленые, 500/1000
Артикул 9492
0 В наличии 83519
Мин. партия 500