Каталог
Каталог
Покупателям
Поставщикам
Балашиха ЗВ4 402.0.0 [ЗВ-4-02] б/о без ц/м Замок врезной б/руч (20)
Балашиха ЗВ4 402.0.0 [ЗВ-4-02] б/о без ц/м Замок врезной б/руч (20)
Балашиха ЗВ4 402.0.0 [ЗВ-4-02] б/о без ц/м Замок врезной б/руч (20)
Артикул
470505
На складе
Нет
В кор.
8
Мин. партия
2
Доставка
До скл.Уфа от 8 до 12 дн.
Описание
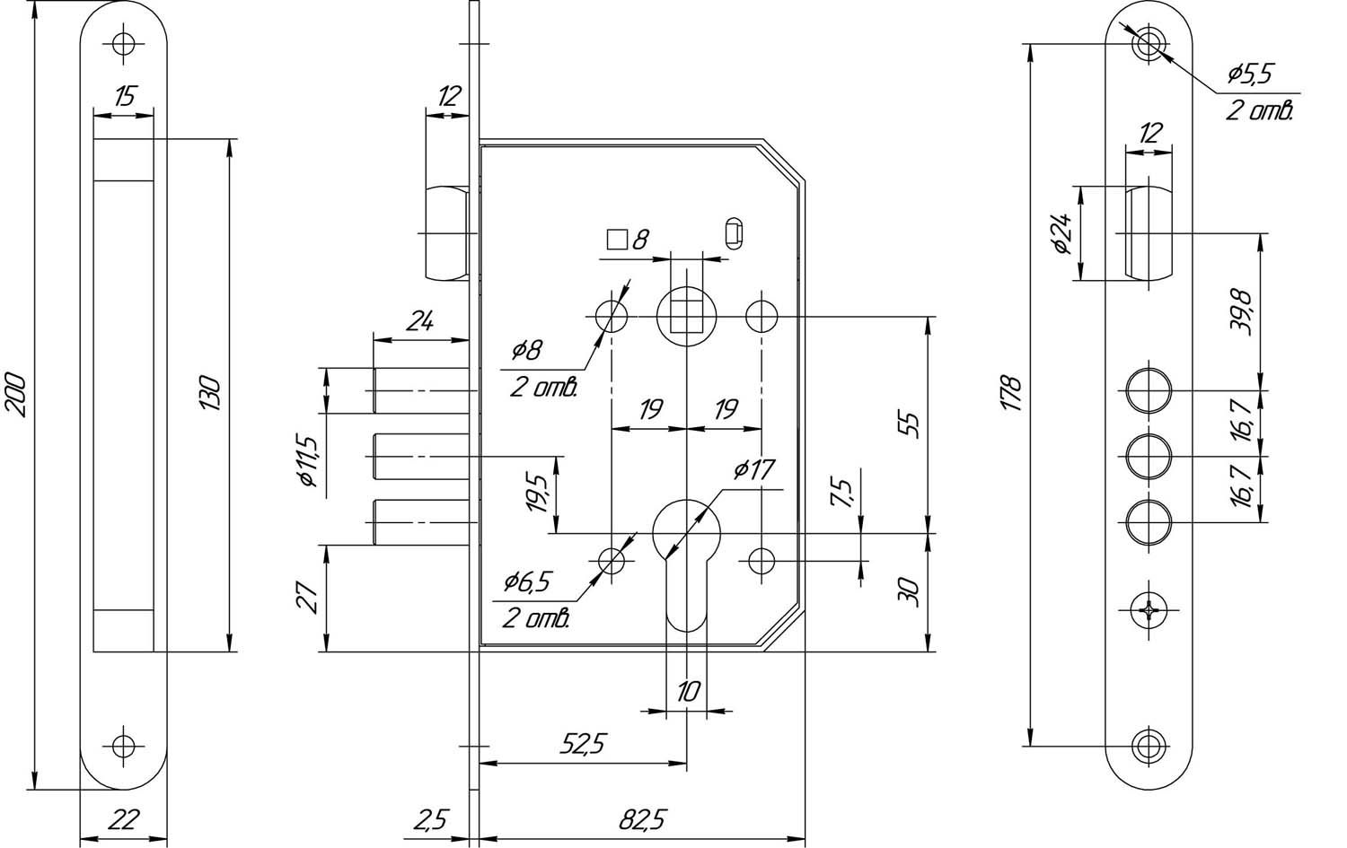
Замок врезной цилиндровый с защелкой, без механизма секрета. Предназначен для установки в деревянные и металлические двери.

Три цилиндрических ригеля, диаметром 11,5мм, вылет 24мм. Межосевое расстояние 55мм. Удаление ключевого отверстия 55мм. Стальная торцевая планка, покрытие - никель, ширина планки 22мм.

Замок имеет корпус повышенной жесткости, который усилен втулками, что позволяет крепить врезную броненакладку.

рекомендованные для установки в противопожарные двери в соответствии с сертификатом № РОСС RU.СЛ34.В00710 от 05.04.2010.

Обе модели выпускаются с защелкой, диаметр которой больше диаметра ригелей замка, так как именно благодаря защелке обеспечивается надежная фиксация двери при высокой температуре, даже если замок находится в открытом состоянии. Не содержат деталей из легкоплавких материалов.

Технические характеристики:

Материал: Сталь
Цвет: Черный
Гарантия: 2 года
Класс секретности: 2 класс
Тип механизма секретности: Цилиндровый
Тип двери: Противопожарные и технические
Удаление ключевого отверстия (Backset): 52,5 мм
Наличие ответной планки: Нет
Межосевое расстояние: 55 мм
Количество ригелей: 3
Форма ригелей: Круглый
Размер ригеля: 11,5 мм
Основное свойство: Балашиха
Транспортная упаковка: 1
Минимальная фасовка: 1
Вес (брутто): 0.626
Размер изделия: 82,5х130х15 мм
Материал корпуса: Сталь, порошковое покрытие
Материал ключей: Латунь
Вылет ригеля: 24 мм
Наличие защелки : Да
Материал язычка защелки: Сталь
Комплектация ручкой: нет
Цвет торцевой планки: Никель
Функция антипаника: да
Размер торцевой планки : 22х200х2,5 мм
Индивидуальная упаковка : Пакет
Класс секретности: 2 класс
Замок врезной 126/1 АВ АЛЛЮР ст. бронза с/руч, 1/12
Артикул 491191
В кор. 3
Мин. партия 1
Замок врезной ЗЕНИТ ЗВ4-3. 01, бронза, 1/15
Артикул 491261
В кор. 15
Мин. партия 1
Замок врезной ЗВ4-3. 05 ЗЕНИТ, бронза, 1/15
Артикул 491262
В кор. 15
Мин. партия 1
Замок врезной ЗВ8-6. 1 ЗЕНИТ, 1/20
Артикул 491263
В кор. 20
Мин. партия 1
Мешки п/п 50кг 55х95см зеленые, 500/1000
Артикул 9492
0 В наличии 83519
Мин. партия 500
Ведро оцинкованное 12л Магнитогорск, 10/10
Артикул 12392
0 В наличии 8941
Мин. партия 10
Черенок для лопаты 40 мм 1,2 м, в/с, просушенный ГОСТ, 10/10
Артикул 119464
0 В наличии 520
Мин. партия 10
Мешки п/п 50кг 105х55 белые с синей/зеленой полосой, 500/500
Артикул 42311
0 В наличии 30044
Мин. партия 500